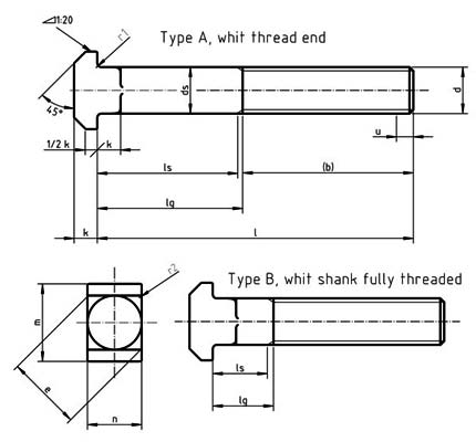
| Thread d | p | b | ds | e | k | n | m | r1 | r2 | Type B | ||||||||||
|---|---|---|---|---|---|---|---|---|---|---|---|---|---|---|---|---|---|---|---|---|
| auxiliary size | nom. | max | min | min | nom. size | max | min | nom. | max | min | nom. | max | min | approx. | approx. | ls min | lg max | |||
| M6 | 1 | 18 | – | 6 | 6.48 | 5.52 | 6.88 | 4.5 | 4.9 | 4.1 | 6 | 6.6 | 5.4 | 16 | 16.9 | 15.1 | 0.5 | 0.9 | 5 | 10 |
| M8 | 1.25 | 22 | – | 8 | 8.58 | 7.42 | 9.24 | 5.5 | 5.9 | 5.1 | 8 | 8.75 | 7.25 | 18 | 18.9 | 17.1 | 0.5 | 1.2 | 6.75 | 13 |
| M10 | 1.5 | 26 | – | 10 | 10.58 | 9.42 | 11.81 | 7 | 7.5 | 6.5 | 10 | 10.75 | 9.25 | 21 | 22 | 20 | 0.5 | 1.5 | 8.5 | 16 |
| M12 | 1.75 | 30 | – | 12 | 12.7 | 11.3 | 14.17 | 8 | 8.75 | 7.25 | 12 | 12.9 | 11.1 | 26 | 27 | 25 | 1 | 1.8 | 10.25 | 19 |
| M16 | 2 | 38 | 44 | 16 | 16.7 | 15.3 | 19.32 | 10.5 | 11.4 | 9.6 | 16 | 16.9 | 15.1 | 30 | 31 | 29 | 1 | 2.4 | 15 | 25 |
| M20 | 2.5 | 46 | 52 | 20 | 20.84 | 19.16 | 24.33 | 13 | 13.9 | 12.1 | 20 | 21 | 19 | 36 | 37.25 | 34.75 | 1 | 3 | 18.5 | 31 |
| M24 | 3 | 54 | 60 | 24 | 2.84 | 23.16 | 29.48 | 15 | 15.9 | 14.1 | 24 | 25 | 23 | 43 | 44.25 | 41.75 | 1.6 | 3.6 | 22 | 37 |
| M30 | 3.5 | 66 | 72 | 30 | 30.84 | 29.16 | 37.2 | 19 | 20 | 18 | 30 | 31 | 29 | 54 | 55.5 | 52.5 | 1.6 | 4.5 | 25.5 | 43 |
| M36 | 4 | 78 | 84 | 36 | 37 | 35 | 44.57 | 23 | 24 | 22 | 36 | 37.25 | 34.75 | 66 | 67.5 | 64.5 | 2 | 5.4 | 35 | 55 |
| M42 | 4.5 | – | 96 | 42 | 43 | 41 | 52.29 | 26 | 27 | 25 | 42 | 43.25 | 40.75 | 80 | 81.5 | 78.5 | 2 | 6.3 | 41.5 | 54 |
| M48 | 5 | – | 108 | 48 | 49 | 47 | 60 | 30 | 31 | 29 | 48 | 49.25 | 46.75 | 88 | 89.75 | 86.25 | 2 | 7.2 | 47 | 72 |