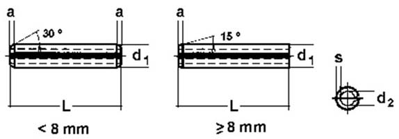
| d nom | d1 min | d1 max | d2 approx | s | a | Vs (in KN) | use for |
|---|---|---|---|---|---|---|---|
| 1 | 1.2 | 1.3 | 0.8 | 0.2 | 0.15 | – | |
| 1.5 | 1.7 | 1.8 | 1.1 | 0.3 | 0.25 | 0.79/1.58 | |
| 2 | 2.3 | 2.4 | 1.5 | 0.4 | 0.35 | 1.41/2.82 | |
| 2.5 | 2.8 | 2.9 | 1.8 | 0.5 | 0.4 | 2.19/4.38 | 1.5 |
| 3 | 3.3 | 3.5 | 2.1 | 0.6 | 0.5 | 3.16/6.32 | |
| 3.5 | 3.8 | 4 | 2.3 | 0.75 | 0.6 | – | 2 |
| 4 | 4.4 | 4.6 | 2.8 | 0.8 | 0.65 | 5.62/11.24 | |
| 4.5 | 4.9 | 5.1 | 2.9 | 1 | 0.8 | – | 2.5 |
| 5 | 5.4 | 5.6 | 3.4 | 1 | 0.9 | 8.77/17.54 | 3 |
| 6 | 6.4 | 6.7 | 3.9 | 1.25 | 1.2 | 13.02/26.04 | 3.5 / M 3 |
| 7 | 7.5 | 7.8 | 4.5 | 1.5 | 2 | 15.7/31.4 | |
| 8 | 8.5 | 8.8 | 5.5 | 1.5 | 2 | 21.38/42.76 | 5 / M 4 |
| 9 | 9.5 | 9.8 | 5.5 | 2 | 2 | 30.33/60.66 | |
| 10 | 10.5 | 10.8 | 6.5 | 2 | 2 | 35.08/70.16 | 6 / M 5 |
| 12 | 12.5 | 12.8 | 7.5 | 2.5 | 2 | 52.07/104.1 | M 6 |
| 13 | 13.5 | 13.8 | 8.5 | 2.5 | 2 | – | 8 |
| 14 | 14.4 | 14.8 | 8.5 | 3 | 2 | 72.36/144.7 | 8 |
| 16 | 16.5 | 16.8 | 10.5 | 3 | 2 | 85.51/171 | 10 / M 8 |
| 18 | 18.5 | 18.9 | 11.5 | 3.5 | 2 | 111.27/222.5 | M 10 |
| 20 | 20.5 | 20.9 | 12.5 | 4 | 3 | 140.32/280.6 | 12 |
| 21 | 21.5 | 21.9 | 13.5 | 4 | – | – | M 12 |
| 25 | 25.5 | 25.9 | 15.5 | 5 | – | – | M 14 |
| 28 | 28.5 | – | 17.5 | 5.5 | – | – | M 16 |
| 30 | 30.5 | – | 18.5 | 6 | – | – | |
| 35 | 35.5 | – | 21.5 | 7 | – | – | M 20 |
| 40 | 40.5 | – | 25.5 | 7.5 | – | – | M 24 |
| 50 | 50.5 | – | 31.5 | 9.5 | – | – | M 30 |