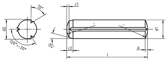
| d1 | c1 | c2 | a | The smallest cutting force 2 sections kN |
|
|---|---|---|---|---|---|
| Nominal | tolerance | = | = | ||
| 1.5 | h9 | 0.12 | 0.6 | 0.2 | 1.6 |
| 2 | h9 | 0.18 | 0.8 | 0.25 | 2.84 |
| 2.5 | h9 | 0.25 | 1 | 0.3 | 4.4 |
| 3 | h9 | 0.3 | 1.2 | 0.4 | 6.4 |
| 4 | h11 | 0.4 | 1.4 | 0.5 | 11.3 |
| 5 | h11 | 0.5 | 1.7 | 0.63 | 17.6 |
| 6 | h11 | 0.6 | 2.1 | 0.8 | 25.4 |
| 8 | h11 | 0.8 | 2.6 | 1 | 45.2 |
| 10 | h11 | 1 | 3 | 1.2 | 70.4 |
| 12 | h11 | 1.2 | 3.8 | 1.6 | 101.8 |
| 16 | h11 | 1.6 | 4.6 | 2 | 181 |
| 20 | h11 | 2 | 6 | 2.5 | 283 |
| 25 | h11 | 2.5 | 7.5 | 3 | 444 |