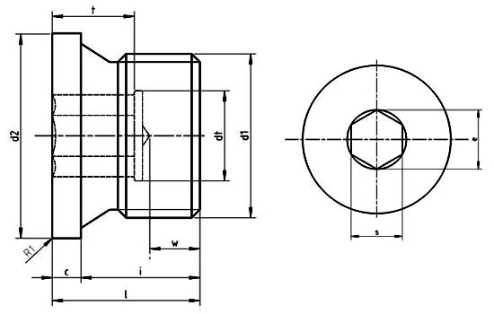
| d1 | c | d2 | e | i | l | s | t | w | Weight (7.85 kg/dm3) kg/1000 pieces |
||
|---|---|---|---|---|---|---|---|---|---|---|---|
| Metric Fine Thread | Pipe Thread | +0.5 | h14 | min. | a0.2 | approx. | D12 | min | min | ||
| M10x1 | – | G1/8 A | 3 | 14 | 5.7 | 8 | 11 | 5 | 5 | 3 | 6.34 |
| M12x1.5 | – | – | 3 | 17 | 6.9 | 12 | 15 | 6 | 7 | 3 | 11.3 |
| – | – | G1/4 A | 3 | 18 | 6.9 | 12 | 15 | 6 | 7 | 3 | 14.6 |
| M14x1.5 | – | – | 3 | 19 | 6.9 | 12 | 15 | 6 | 7 | 3 | 16 |
| M16x1.5 | – | – | 3 | 21 | 9.2 | 12 | 15 | 8 | 7.5 | 3 | 19 |
| – | – | G3/8 A | 3 | 22 | 9.2 | 12 | 15 | 8 | 7.5 | 3 | 21.4 |
| M18x1.5 | – | – | 4 | 23 | 9.2 | 12 | 16 | 8 | 7.5 | 3 | 28.3 |
| M20x1.5 | – | – | 4 | 25 | 11.4 | 14 | 18 | 10 | 7.5 | 4 | 37.5 |
| – | – | G1/2 A | 4 | 26 | 11.4 | 1 | 18 | 10 | 7.5 | 4 | 40.8 |
| M22x1.5 | – | – | 4 | 27 | 11.4 | 14 | 18 | 10 | 7.5 | 4 | 47.5 |
| M24x1.5 | – | – | 4 | 29 | 13.7 | 14 | 18 | 12 | 7.5 | 4 | 53.5 |
| M26x1.5 | – | – | 4 | 31 | 13.7 | 16 | 20 | 12 | 9 | 4 | 68.7 |
| – | M27 | G 3/4 A | 4 | 32 | 13.7 | 16 | 20 | 12 | 9 | 4 | 73.5 |
| M30x1.5 | M30 | – | 4 | 36 | 19.4 | 16 | 20 | 17 | 9 | 4 | 84 |
| – | M33 | G1 A | 5 | 39 | 19.4 | 16 | 21 | 17 | 9 | 4 | 111 |
| M36x1.5 | M36 | – | 5 | 42 | 21.7 | 16 | 21 | 19 | 10.5 | 4 | 134 |
| M38x1.5 | – | G 11/8 A | 5 | 44 | 21.7 | 16 | 21 | 19 | 10.5 | 4 | 149 |
| – | M39 | – | 5 | 46 | 21.7 | 16 | 21 | 19 | 10.5 | 4 | 163 |
| M42x1.5 | M42 | G1 1/4A | 5 | 49 | 25.2 | 16 | 21 | 22 | 10.5 | 4 | 187 |
| M45x1.5 | M45 | – | 5 | 52 | 25.2 | 16 | 21 | 22 | 10.5 | 4 | 215 |
| M48x2 | M48 | G1 1/2A | 5 | 55 | 27.4 | 16 | 21 | 24 | 10.5 | 4 | 246 |
| M52x1.5 | M52 | – | 5 | 60 | 27.4 | 16 | 21 | 24 | 10.5 | 4 | 302 |
| – | – | G1 3/4 A | 5 | 62 | 36.6 | 20 | 25 | 32 | 14 | 4 | 320 |
| – | M56 | – | 5 | 64 | 36.6 | 20 | 25 | 32 | 14 | 4 | 386 |
| – | M60 | G 2A | 5 | 68 | 36.6 | 20 | 25 | 32 | 14 | 4 | 445 |
| – | M64 | – | 5 | 72 | 36.6 | 20 | 25 | 32 | 14 | 4 | 530 |
| Thread d | p | c | da | dw | e | m | mw | s | ||||
|---|---|---|---|---|---|---|---|---|---|---|---|---|
| non-preferred threads | max | min | max | min | min | min | max | min | min | nominal = max | min | |
| M3.5 | 0.6 | 0.40 | 0.15 | 4.00 | 3.50 | 5.00 | 6.58 | 2.80 | 2.55 | 2.00 | 6.00 | 5.82 |
| M14 | 2 | 0.60 | 0.15 | 15.10 | 14.00 | 19.60 | 23.36 | 12.80 | 12.10 | 9.70 | 21.00 | 20.67 |
| M18 | 2.5 | 0.80 | 0.20 | 19.50 | 18.00 | 24.90 | 29.56 | 15.80 | 15.10 | 12.10 | 27.00 | 26.16 |
| M22 | 2.5 | 0.80 | 0.20 | 23.70 | 22.00 | 31.40 | 37.29 | 19.40 | 18.10 | 14.50 | 34.00 | 33.00 |
| M27 | 3 | 0.80 | 0.20 | 29.10 | 27.00 | 38.00 | 45.20 | 23.80 | 22.50 | 18.00 | 41.00 | 40.00 |
| M33 | 3.5 | 0.80 | 0.20 | 35.60 | 33.00 | 46.60 | 55.37 | 28.70 | 27.40 | 21.90 | 50.00 | 49.00 |
| M39 | 4 | 1.00 | 0.30 | 42.10 | 39.00 | 55.90 | 66.44 | 33.40 | 31.80 | 25.40 | 60.00 | 58.80 |
| M45 | 4.5 | 1.00 | 0.30 | 48.60 | 45.00 | 64.70 | 76.95 | 36.00 | 34.40 | 27.50 | 70.00 | 68.10 |
| M52 | 5 | 1.00 | 0.30 | 56.20 | 52.00 | 74.20 | 88.25 | 42.00 | 40.40 | 32.30 | 80.00 | 78.10 |
| M60 | 5.5 | 1.00 | 0.30 | 64.80 | 60.00 | 83.40 | 99.21 | 48.00 | 46.40 | 37.10 | 90.00 | 87.80 |