CSN 21492

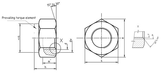
Dimensions for CSN 21492 - Hexagon nuts with clamping part, all metal nut

d p da dv e h m s
Series 1 Series 2 Series 3 min. max. min. min. max. min. min. max min.
M 3 0.5 3 3.45 4.6 6.01 3.7 3.4 1.65 5.5 5.32
M 4 0.7 4 4.6 5.9 7.66 4.2 3.9 2.2 7 6.78
M 5 0.8 5 5.75 6.9 8.79 5.1 4.8 2.75 8 7.78
M 6 1 6 6.75 8.9 11.05 6 5.7 3.3 10 9.78
M 7   1 7 7.75 9.6 12.12 7 6.5 3.85 11 10.73
M 8 M 8×1 1.25 8 8.75 11.6 14.38 8 7.5 4.4 13 12.73
M 10 M 10×1 M 10×1.25 1.5 10 10.8 15.6 18.9 10 9 5.5 17 16.73
M 12 M 12×1.5 M 12×1.25 1.75 12 13 17.4 21.1 12 11 6.6 19 18.67
M 14 M 14×1.5 2 14 15.1 20.5 24.49 14 12 7.7 22 21.67
M 16 M 16×1.5 2 16 17.3 22.5 26.75 16 14 8.8 24 23.67
M 18 M 18×2 M 18×1.5 2.5 18 19.5 24.9 29.56 18 16 9.9 27 26.16
M 20 M 20×2 M 20×1.5 2.5 20 21.6 27.7 32.95 20 18 11 30 29.16
M 22 M 22×2 M 22×1.5 2.5 22 23.7 29.5 35.03 22 20 12.2 32 31
M 24 M 24×2 3 24 25.9 33.2 39.55 24 22 13.2 36 35
M 27 M 27×2 3 27 29.1 38 45.2 27 25 14.8 41 40
M 30 M 30×2 3.5 30 32.4 42.7 50.85 30 28 16.5 46 45
M 33 M 33×2 3.5 33 35.6 46.6 55.37 33 31 18.2 50 49
M 36 M 36×2 4 36 38.9 51.1 60.79 36 34 19.8 55 53.8
M 39 M 39×2 4 39 42.1 55.9 66.44 39 37 21.5 60 58.8
Thread d p c da dw e m mw s
non-preferred threads max min max min min min max min min nominal = max min
M3.5 0.6 0.40 0.15 4.00 3.50 5.00 6.58 2.80 2.55 2.00 6.00 5.82
M14 2 0.60 0.15 15.10 14.00 19.60 23.36 12.80 12.10 9.70 21.00 20.67
M18 2.5 0.80 0.20 19.50 18.00 24.90 29.56 15.80 15.10 12.10 27.00 26.16
M22 2.5 0.80 0.20 23.70 22.00 31.40 37.29 19.40 18.10 14.50 34.00 33.00
M27 3 0.80 0.20 29.10 27.00 38.00 45.20 23.80 22.50 18.00 41.00 40.00
M33 3.5 0.80 0.20 35.60 33.00 46.60 55.37 28.70 27.40 21.90 50.00 49.00
M39 4 1.00 0.30 42.10 39.00 55.90 66.44 33.40 31.80 25.40 60.00 58.80
M45 4.5 1.00 0.30 48.60 45.00 64.70 76.95 36.00 34.40 27.50 70.00 68.10
M52 5 1.00 0.30 56.20 52.00 74.20 88.25 42.00 40.40 32.30 80.00 78.10
M60 5.5 1.00 0.30 64.80 60.00 83.40 99.21 48.00 46.40 37.10 90.00 87.80