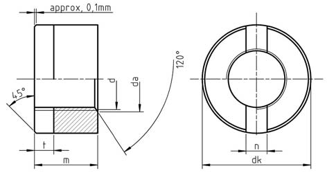
| Thread Size d | p | da | dk | m | n | t | weight kg/1000pcs | ||||||
|---|---|---|---|---|---|---|---|---|---|---|---|---|---|
| min | max | nom=max | min | nom=max | min | nom | min | max | min | max | |||
| M1 | 0.25 | 1 | 1.15 | 2.5 | 2.25 | 1 | 0.75 | 0.3 | 0.36 | 0.5 | 0.3 | 0.5 | 0.034 |
| M1.2 | 0.25 | 1.2 | 1.4 | 3 | 2.75 | 1.2 | 0.95 | 0.4 | 0.46 | 0.6 | 0.4 | 0.6 | 0.057 |
| M1.4 | 3 | 1.4 | 1.6 | 3 | 2.75 | 1.4 | 1.15 | 0.4 | 0.46 | 0.6 | 0.5 | 0.7 | 0.063 |
| M1.6 | 0.35 | 1.6 | 1.84 | 3.5 | 3.2 | 1.6 | 1.35 | 0.5 | 0.56 | 0.7 | 0.6 | 0.8 | 0.1 |
| M2 | 0.4 | 2 | 2.3 | 4.5 | 4.2 | 2 | 1.75 | 1 | 1.06 | 1.2 | 0.8 | 1 | 0.21 |
| M2.5 | 0.4 | 2 | 2.3 | 4.5 | 4.2 | 2 | 1.75 | 1 | 1.06 | 1.2 | 0.8 | 1 | 0.21 |
| M3 | 0.5 | 3 | 3.5 | 6 | 5.7 | 2.5 | 2.25 | 1.2 | 1.26 | 1.51 | 1 | 1.2 | 0.43 |
| M3.5 | 0.6 | 3.45 | 4 | 7 | 6.64 | 3 | 2.75 | 1.4 | 1.46 | 1.71 | 1 | 1.4 | 0.7 |
| M4 | 0.7 | 4 | 4.6 | 8 | 7.64 | 3.5 | 3.2 | 1.4 | 1.46 | 1.71 | 1.2 | 1.6 | 1.07 |
| M5 | 0.8 | 5 | 5.75 | 9 | 8.64 | 4.2 | 3.9 | 2 | 2.06 | 2.31 | 1.5 | 1.9 | 1.8 |
| M6 | 1 | 6 | 6.75 | 11 | 10.57 | 5 | 4.7 | 2.5 | 2.56 | 2.81 | 2 | 2.4 | 2.73 |
| M8 | 1.25 | 8 | 8.75 | 14 | 13.57 | 6.5 | 6.14 | 3 | 3.06 | 3.31 | 2.5 | 3 | 5.57 |
| M10 | 1.5 | 10 | 10.8 | 18 | 17.57 | 8 | 7.64 | 3.5 | 3.57 | 3.87 | 3.2 | 3.7 | 11.5 |
| M12 | 1.75 | 12 | 13 | 21 | 20.48 | 10 | 9.64 | 4 | 4.07 | 4.37 | 3.8 | 4.3 | 21.5 |
| M14 | 2 | 14 | 15.1 | 24 | 23.48 | 11 | 10.57 | 4 | 4.07 | 4.37 | 3.8 | 4.3 | 27.1 |
| M16 | 2 | 16 | 17.3 | 26 | 25.48 | 12 | 11.57 | 4 | 4.07 | 4.37 | 3.8 | 4.3 | 36.8 |
| M18 | 2.5 | 18 | 19.5 | 29 | 28.48 | 13 | 12.57 | 4 | 4.07 | 4.37 | 4.8 | 5.5 | 48.4 |
| M20 | 2.5 | 20 | 21.6 | 32 | 31.38 | 14 | 13.57 | 5 | 5.07 | 5.37 | 4.8 | 5.5 | 57.2 |
| Thread d | p | c | da | dw | e | m | mw | s | ||||
|---|---|---|---|---|---|---|---|---|---|---|---|---|
| non-preferred threads | max | min | max | min | min | min | max | min | min | nominal = max | min | |
| M3.5 | 0.6 | 0.40 | 0.15 | 4.00 | 3.50 | 5.00 | 6.58 | 2.80 | 2.55 | 2.00 | 6.00 | 5.82 |
| M14 | 2 | 0.60 | 0.15 | 15.10 | 14.00 | 19.60 | 23.36 | 12.80 | 12.10 | 9.70 | 21.00 | 20.67 |
| M18 | 2.5 | 0.80 | 0.20 | 19.50 | 18.00 | 24.90 | 29.56 | 15.80 | 15.10 | 12.10 | 27.00 | 26.16 |
| M22 | 2.5 | 0.80 | 0.20 | 23.70 | 22.00 | 31.40 | 37.29 | 19.40 | 18.10 | 14.50 | 34.00 | 33.00 |
| M27 | 3 | 0.80 | 0.20 | 29.10 | 27.00 | 38.00 | 45.20 | 23.80 | 22.50 | 18.00 | 41.00 | 40.00 |
| M33 | 3.5 | 0.80 | 0.20 | 35.60 | 33.00 | 46.60 | 55.37 | 28.70 | 27.40 | 21.90 | 50.00 | 49.00 |
| M39 | 4 | 1.00 | 0.30 | 42.10 | 39.00 | 55.90 | 66.44 | 33.40 | 31.80 | 25.40 | 60.00 | 58.80 |
| M45 | 4.5 | 1.00 | 0.30 | 48.60 | 45.00 | 64.70 | 76.95 | 36.00 | 34.40 | 27.50 | 70.00 | 68.10 |
| M52 | 5 | 1.00 | 0.30 | 56.20 | 52.00 | 74.20 | 88.25 | 42.00 | 40.40 | 32.30 | 80.00 | 78.10 |
| M60 | 5.5 | 1.00 | 0.30 | 64.80 | 60.00 | 83.40 | 99.21 | 48.00 | 46.40 | 37.10 | 90.00 | 87.80 |