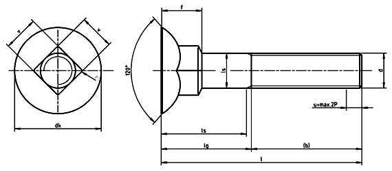
CSN 21326

Dimensions for CSN 21326 - Flat countersunk square neck bolts (with short square neck)

Thread d p b dk ds f r v
max min max min max min max max min
M10 1.5 26 19.65 18.35 10 9.42 8.45 7.55 1.5 10.58 9.42
M12 1.75 30 24.65 23.35 12 11.3 11.05 9.95 1.8 12.7 11.3