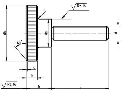
| Thread d | p | b | c | dk | ds | h | k | n | r | t | |||||||||
|---|---|---|---|---|---|---|---|---|---|---|---|---|---|---|---|---|---|---|---|
| nom | max | min | nom = max. | min | nom | max | min | nom=max | min | nom | min | max | min | max | |||||
| M1 | 0.25 | 3 | – | 5.5 | 5.74 | 5.26 | 2.8 | 2.55 | 3.5 | 3.74 | 3.26 | 1.5 | 1.25 | 0.3 | 0.36 | 0.5 | 0.5 | 0.7 | 0.9 |
| M1.2 | 0.25 | 3.5 | – | 6 | 6.24 | 5.76 | 3 | 2.75 | 4 | 4.24 | 3.76 | 1.5 | 1.25 | 0.4 | 0.46 | 0.6 | 0.5 | 0.8 | 1 |
| M1.4 | 0.3 | 4 | – | 7 | 7.29 | 6.71 | 3.5 | 3.2 | 4.7 | 4.94 | 4.46 | 2 | 1.75 | 0.4 | 0.46 | 0.6 | 0.5 | 0.9 | 1.15 |
| M1.6 | 0.35 | 5 | – | 7.5 | 7.79 | 7.21 | 3.8 | 3.5 | 5 | 5.24 | 4.76 | 2 | 1.75 | 0.4 | 0.46 | 0.6 | 0.5 | 1 | 1.3 |
| M2 | 0.4 | 6 | 0.3 | 9 | 9.29 | 8.71 | 4.5 | 4.2 | 5.3 | 5.54 | 5.06 | 2 | 1.75 | 0.5 | 0.56 | 0.7 | 0.5 | 1.1 | 1.4 |
| M2.5 | 0.45 | 8 | 0.3 | 11 | 11.35 | 10.65 | 5 | 4.7 | 6.5 | 6.79 | 6.21 | 2.5 | 2.25 | 0.6 | 0.66 | 0.8 | 0.5 | 1.5 | 1.8 |
| M3 | 0.5 | 9 | 0.4 | 12 | 12.35 | 11.65 | 6 | 5.7 | 7.5 | 7.79 | 7.21 | 2.5 | 2.25 | 0.8 | 0.86 | 1 | 0.5 | 1.8 | 2.2 |
| M3.5 | 0.6 | 10 | 0.4 | 14 | 14.35 | 13.65 | 7 | 6.64 | 8.5 | 8.79 | 8.21 | 3 | 2.75 | 0.8 | 0.86 | 1 | 0.5 | 2 | 2.5 |
| M4 | 0.7 | 12 | 0.4 | 16 | 16.35 | 15.65 | 8 | 7.64 | 9.5 | 9.79 | 9.21 | 3.5 | 3.2 | 1 | 1.06 | 1.2 | 0.5 | 2.2 | 2.7 |
| M5 | 0.8 | 15 | 0.5 | 20 | 20.42 | 19.58 | 10 | 9.64 | 11.5 | 11.85 | 11.15 | 4 | 3.7 | 1.2 | 1.26 | 1.51 | 1 | 2.8 | 3.4 |
| M6 | 1 | 18 | 0.6 | 24 | 24.42 | 23.58 | 12 | 11.57 | 15 | 15.35 | 14.65 | 5 | 4.7 | 1.6 | 1.66 | 1.91 | 1 | 3.5 | 4.3 |
| M8 | 1.25 | 24 | 0.6 | 30 | 30.42 | 29.58 | 16 | 15.57 | 18 | 18.35 | 17.65 | 6 | 5.7 | 2 | 2.06 | 2.31 | 2 | 4.5 | 5.5 |
| M10 | 1.5 | 30 | – | 36 | 36.5 | 35.5 | 20 | 19.48 | 23 | 23.42 | 22.58 | 8 | 7.64 | 2.5 | 2.56 | 2.81 | 2 | 6 | 7 |