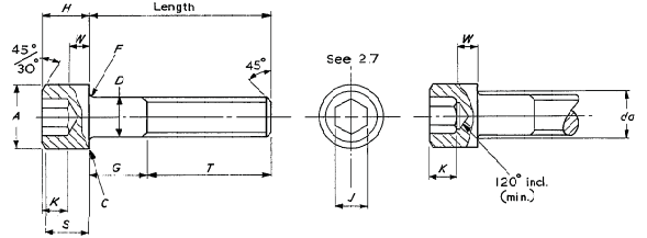
| Nominal Size | D | A | H | S | J | K | W | Fillet Radius | C | T | ||||
|---|---|---|---|---|---|---|---|---|---|---|---|---|---|---|
| Body Diameter | Head Diameter | Head Height | Head Side Height | Hexagon Socket Size | Key Engagement | Wall Thickness | F | da | Chamfer or Radius | Thread length | ||||
| Max. | Min. | Max. | Min. | Max. | Min. | Min. | Nom. | Min. | Min. | Min. | Max. | Max. | Min. | |
| 3/16 | 0.1875 | 0.1815 | 0.312 | 0.303 | 0.187 | 0.182 | 0.168 | 5/32 | 0.089 | 0.065 | 0.009 | 0.2155 | 0.005 | 0.875 |
| 1/4 | 0.2500 | 0.2435 | 0.375 | 0.365 | 0.250 | 0.244 | 0.225 | 3/16 | 0.120 | 0.095 | 0.009 | 0.278 | 0.008 | 1.000 |
| 5/16 | 0.3125 | 0.3053 | 0.437 | 0.425 | 0.312 | 0.306 | 0.281 | 7/32 | 0.151 | 0.119 | 0.012 | 0.3465 | 0.008 | 1.125 |
| 3/8 | 0.3750 | 0.3678 | 0.562 | 0.550 | 0.375 | 0.368 | 0.337 | 5/16 | 0.182 | 0.143 | 0.015 | 0.415 | 0.008 | 1.250 |
| 7/16 | 0.4375 | 0.4294 | 0.625 | 0.611 | 0.437 | 0.430 | 0.394 | 5/16 | 0.213 | 0.166 | 0.018 | 0.4835 | 0.010 | 1.375 |
| 1/2 | 0.5000 | 0.4919 | 0.750 | 0.735 | 0.500 | 0.492 | 0.450 | 3/8 | 0.245 | 0.190 | 0.020 | 0.552 | 0.010 | 1.500 |
| 5/8 | 0.6250 | 0.6163 | 0.875 | 0.858 | 0.625 | 0.616 | 0.562 | 1/2 | 0.307 | 0.238 | 0.024 | 0.689 | 0.010 | 1.750 |
| 3/4 | 0.7500 | 0.7406 | 1.000 | 0.982 | 0.750 | 0.740 | 0.675 | 9/16 | 0.370 | 0.285 | 0.030 | 0.828 | 0.010 | 2.000 |
| 7/8 | 0.8750 | 0.8647 | 1.125 | 1.105 | 0.875 | 0.864 | 0.787 | 9/16 | 0.432 | 0.333 | 0.034 | 0.963 | 0.015 | 2.250 |
| 1 | 1.0000 | 0.9886 | 1.312 | 1.291 | 1.000 | 0.988 | 0.900 | 5/8 | 0.495 | 0.380 | 0.040 | 1.100 | 0.015 | 2.500 |