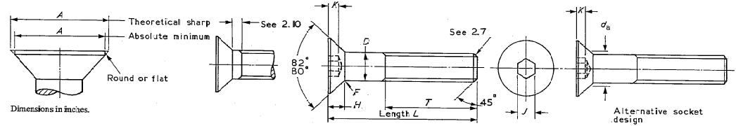
| Nominal Size | D | A | H | J | K | Fillet Radius | T | ||||
|---|---|---|---|---|---|---|---|---|---|---|---|
| Body Diameter | Head Diameter* | Head Height | Hexagon Socket Size | Key Engagement | F | da | Thread length | ||||
| Max. | Min. | Theoretical Sharp Max. | Absolute Min. | Reference | Flushness tolerance | Nom. | Min. | Min. | Max. | Min. | |
| 0 | 0.0600 | 0.0568 | 0.138 | 0.117 | 0.046 | 0.006 | 0.035 | 0.025 | 0.003 | 0.072 | 0.500 |
| 1 | 0.0730 | 0.0695 | 0.168 | 0.143 | 0.057 | 0.007 | 0.050 | 0.031 | 0.003 | 0.089 | 0.625 |
| 2 | 0.0860 | 0.0822 | 0.197 | 0.168 | 0.066 | 0.008 | 0.050 | 0.038 | 0.004 | 0.106 | 0.625 |
| 3 | 0.0990 | 0.0949 | 0.226 | 0.193 | 0.075 | 0.010 | 1/16 | 0.044 | 0.004 | 0.119 | 0.625 |
| 4 | 0.1120 | 0.1075 | 0.255 | 0.218 | 0.085 | 0.011 | 1/16 | 0.055 | 0.005 | 0.136 | 0.750 |
| 5 | 0.150 | 0.1202 | 0.281 | 0.240 | 0.093 | 0.012 | 5/64 | 0.061 | 0.006 | 0.153 | 0.750 |
| 6 | 0.1380 | 0.1329 | 0.307 | 0.263 | 0.100 | 0.013 | 5/64 | 0.066 | 0.006 | 0.168 | 0.750 |
| 8 | 0.164 | 0.1585 | 0.359 | 0.311 | 0.116 | 0.014 | 3/32 | 0.076 | 0.007 | 0.194 | 0.875 |
| 10 | 0.1900 | 0.1840 | 0.411 | 0.359 | 0.131 | 0.015 | 1/8 | 0.087 | 0.009 | 0.220 | 0.875 |
| 1/4 | 0.2500 | 0.2435 | 0.531 | 0.476 | 0.167 | 0.016 | 5/32 | 0.111 | 0.009 | 0.280 | 1.000 |
| 5/16 | 0.3125 | 0.3053 | 0.656 | 0.589 | 0.205 | 0.017 | 3/16 | 0.135 | 0.012 | 0.342 | 1.125 |
| 3/8 | 0.3750 | 0.3678 | 0.781 | 0.704 | 0.241 | 0.018 | 7/32 | 0.159 | 0.015 | 0.405 | 1.250 |
| 7/16 | 0.4375 | 0.4294 | 0.844 | 0.755 | 0.242 | 0.018 | 1/4 | 0.159 | 0.018 | 0.467 | 1.375 |
| 1/2 | 0.5000 | 0.4919 | 0.937 | 0.857 | 0.260 | 0.018 | 5/16 | 0.172 | 0.020 | 0.530 | 1.500 |
| 5/8 | 0.6250 | 0.6163 | 1.188 | 1.065 | 0.335 | 0.022 | 3/8 | 0.220 | 0.024 | 0.655 | 1.750 |
| 3/4 | 0.7500 | 0.7406 | 1.438 | 1.293 | 0.410 | 0.024 | 1/2 | 0.220 | 0.030 | 0.780 | 2.000 |
| See Appendix B. | |||||||||||