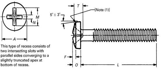
| Nominal Size or Basic Screw Diameter | Head Diameter, A | Total Head Height, O | Head Oval Height, F | Recess Diameter, M | Recess Depth, T | Recess Width, N | Driver Size | Recess Penetration Gaging Depth | ||||
|---|---|---|---|---|---|---|---|---|---|---|---|---|
| Max | Min | Max | Min | Max | Min | Max | Min | |||||
| 0 | 0.126 | 0.119 | 0.032 | 0.026 | 0.012 | 0.008 | 0.078 | 0.036 | 0.023 | – | Note 4 | Note 4 |
| 1 | 0.153 | 0.145 | 0.041 | 0.035 | 0.015 | 0.011 | 0.092 | 0.045 | 0.025 | – | Note 4 | Note 4 |
| 2 | 0.181 | 0.171 | 0.050 | 0.043 | 0.018 | 0.013 | 0.112 | 0.058 | 0.028 | – | 0.039 | 0.027 |
| 3 | 0.208 | 0.197 | 0.059 | 0.052 | 0.022 | 0.016 | 0.130 | 0.070 | 0.031 | – | 0.051 | 0.039 |
| 4 | 0.235 | 0.223 | 0.068 | 0.061 | 0.025 | 0.018 | 0.147 | 0.079 | 0.034 | – | 0.062 | 0.050 |
| 5 | 0.263 | 0.249 | 0.078 | 0.069 | 0.029 | 0.021 | 0.165 | 0.091 | 0.036 | – | 0.074 | 0.061 |
| 6 | 0.290 | 0.275 | 0.087 | 0.078 | 0.032 | 0.024 | 0.183 | 0.103 | 0.039 | – | 0.086 | 0.073 |
| 8 | 0.344 | 0.326 | 0.105 | 0.095 | 0.039 | 0.029 | 0.216 | 0.119 | 0.044 | – | 0.108 | 0.094 |
| 10 | 0.399 | 0.378 | 0.123 | 0.112 | 0.045 | 0.034 | 0.239 | 0.134 | 0.047 | – | 0.123 | 0.109 |
| 12 | 0.454 | 0.430 | 0.141 | 0.130 | 0.052 | 0.039 | 0.284 | 0.163 | 0.054 | – | 0.153 | 0.137 |
| 1/4 | 0.525 | 0.498 | 0.165 | 0.152 | 0.061 | 0.046 | 0.320 | 0.179 | 0.059 | – | 0.176 | 0.160 |
| 5/16 | 0.656 | 0.622 | 0.209 | 0.194 | 0.077 | 0.059 | 0.403 | 0.233 | 0.072 | – | 0.232 | 0.214 |
| 3/8 | 0.788 | 0.746 | 0.253 | 0.235 | 0.094 | 0.071 | 0.468 | 0.275 | 0.081 | – | 0.275 | 0.255 |
Notes :