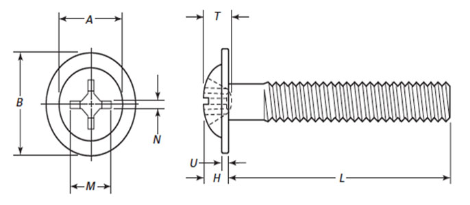
| Nominal Size or Basic Screw Diameter | Crown Diameter, A | Head Height, H | Washer Diameter, B | Washer Thickness, U | Recess Diameter, M | Recess Depth, T | Recess Width, N | Driver Size | Recess Penetration Gaging Depth | |||
|---|---|---|---|---|---|---|---|---|---|---|---|---|
| Max | Min | Max | Min | Max | Min | |||||||
| 2 | 0.136 | 0.062 | 0.050 | 0.202 | 0.186 | 0.030 | 0.099 | 0.041 | 0.018 | 1 | 0.046 | 0.021 |
| 3 | 0.156 | 0.070 | 0.058 | 0.232 | 0.215 | 0.030 | 0.107 | 0.052 | 0.019 | 1 | 0.056 | 0.033 |
| 4 | 0.177 | 0.079 | 0.067 | 0.261 | 0.243 | 0.030 | 0.116 | 0.062 | 0.019 | 1 | 0.065 | 0.044 |
| 5 | 0.198 | 0.088 | 0.075 | 0.291 | 0.272 | 0.040 | 0.139 | 0.052 | 0.026 | 2 | 0.054 | 0.026 |
| 6 | 0.218 | 0.096 | 0.084 | 0.321 | 0.301 | 0.040 | 0.147 | 0.058 | 0.026 | 2 | 0.061 | 0.033 |
| 8 | 0.259 | 0.113 | 0.101 | 0.380 | 0.358 | 0.040 | 0.161 | 0.073 | 0.028 | 2 | 0.076 | 0.048 |
| 10 | 0.300 | 0.130 | 0.118 | 0.439 | 0.416 | 0.050 | 0.177 | 0.091 | 0.029 | 2 | 0.093 | 0.066 |
| 12 | 0.341 | 0.148 | 0.134 | 0.498 | 0.473 | 0.050 | 0.228 | 0.097 | 0.030 | 3 | 0.094 | 0.066 |
| 1/4 | 0.396 | 0.170 | 0.157 | 0.576 | 0.548 | 0.050 | 0.244 | 0.110 | 0.032 | 3 | 0.107 | 0.080 |
| 5/16 | 0.494 | 0.211 | 0.197 | 0.719 | 0.687 | 0.060 | 0.292 | 0.160 | 0.038 | 3 | 0.156 | 0.129 |
| 3/8 | 0.593 | 0.253 | 0.238 | 0.861 | 0.825 | 0.060 | 0.348 | 0.177 | 0.058 | 4 | 0.170 | 0.144 |
| 7/16 | 0.691 | 0.294 | 0.278 | 1.004 | 0.963 | 0.070 | 0.366 | 0.198 | 0.061 | 4 | 0.190 | 0.165 |
| 1/2 | 0.790 | 0.335 | 0.319 | 1.146 | 1.101 | 0.090 | 0.383 | 0.217 | 0.063 | 4 | 0.210 | 0.184 |
Notes :