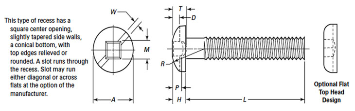
Dimensions of ASME B18.6.3 Combination Slotted Type 3 Square Recessed Pan Head Machine Screws

Dimensions of ASME B18.6.3 Combination Slotted Type 3 Square Recessed Pan Head Machine Screws

Nominal Size or Basic Screw DiameterHead Diameter, AHead Height, HHead Radius, RSlot Width, WSlot Depth, DRecess Across Flats, MRecess Depth, TRecess SizePenetration Gaging Depth, P
MaxMinMaxMinMaxMinMaxMinMaxMin
30.1930.1800.0780.0690.0100.0350.0270.0360.0230.0700.06600.0380.028
40.2190.2050.0860.0760.0100.0390.0310.0400.0270.0700.06600.0380.028
50.2450.2310.0950.0850.0150.0430.0350.0450.0300.0910.1061R0.0650.050
60.2700.2560.1030.0930.0150.0480.0390.0500.0330.0910.1061R0.0650.050
80.3220.3060.1200.1100.0150.0540.0450.0580.0410.1120.1272R0.0750.060
100.3730.3570.1370.1260.0200.0600.0500.0680.0480.1120.1272R0.0750.060
120.4250.4070.1530.1410.0250.0670.0560.0770.0550.1330.1583R0.0950.080
1/40.4920.4730.1750.1620.0350.0750.0640.0870.0630.1330.1583R0.0950.080
5/160.6150.5940.2180.2030.0400.0840.0720.1060.0760.1910.1944R0.1000.085
3/80.7400.7160.2610.2440.0400.0940.0810.1240.0900.1910.1944R0.1000.085

Notes :

  • Where specifying nominal size in decimals, zeros preceding the decimals and in the fourth decimal place shall be omitted.
  • Due to the underfill of material caused by the combination recess, the minimum slot depths are approximately 10% lower than slotted pan heads.
  • “R” in the recess size tabulation means regular depth recess
  • Square recesses incorporate a slight taper on the sides od the recess. This taper can result in loss of penetration gaging depth on finished fasteners due to the build up of plating in recesses. The recess penetrations dimensions specified here are for finished (plated) product. Manufactures should be advised that they should not use all this tolerance in the heading process, or an out of tolerance condition could exist after plating.