asme-b18-2-4-4m-metric-hex-flange-nuts

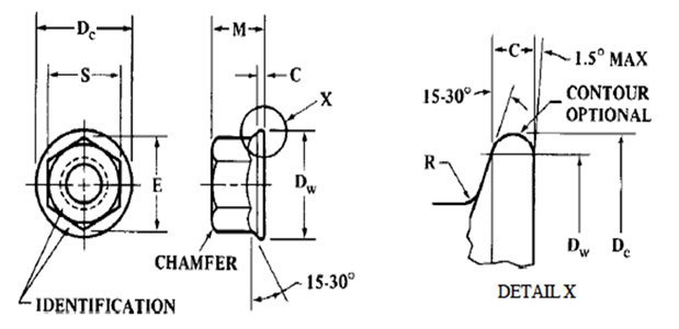
Dimensions of Metric Hex Flange Nuts

Nominal Nut Diameter and Thread PitchWidth Across Flats, SWidth Across Corners, EFlange Diameter, Dc, MaxBearing Circle Diameter, Dw, MinFlange Edge Thickness, C, MinThickness, M,Flange Top Fillet Radius, R, Max
MaxMinMaxMinMaxMin
M5 x 0.88.007.789.248.795.104.806.93.22.92.0
M6 x 110.009.7811.5511.055.705.408.93.53.22.4
M8 x 1.2513.0012.7315.0114.387.507.1411.64.44.12.9
M10 x 1.515.0014.7317.3216.6410.09.6013.65.75.43.4
M10 x 1.516.0015.7318.4817.779.308.9414.65.24.93.4
M12 x 1.7518.0017.7320.7820.0312.0011.5716.67.36.94.0
M14 x 221.0020.6724.2523.3514.1013.4019.68.68.04.3
M16 x 224.0023.6727.7126.7516.4015.7022.59.99.35.3
M20 x 2.530.0029.1634.6432.9520.3019.0027.713.312.25.7
M24 x 336.0035.0041.5739.5523.9022.6033.215.414.36.7
M30 x 3.546.0045.0053.1250.8528.6027.3042.718.116.88.5
M36 x 455.0053.8063.5160.7934.7033.1051.123.722.48.5

All dimensions are in millimeters.

  • All metal, one piece construction nuts which derive their prevailing-torque characteristics from controlled distortion of the nut thread and/or body.
  • Metal nuts which derive their prevailing-torque characteristics from addition or fusion of a non-metallic insert, plug or patch in their threads.
  • Top insert, two-piece construction nuts which derive their prevailing-torque characteristics from an insert, usually a full ring of non-metallic material, located and retained in the nut at its top surface.