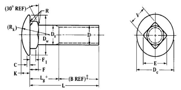
| Nominal Bolt Diameter, D, and Thread Pitch | Diameter of Reduced Body Ds | Head Radius, (R), Ref | Head Height, K | Head Edge Thickness, C | Head Diameter Dc, Max | Bearing Surface Diameter, Dw, Min | Square Depth, F | Square Corner Depth, F1, Min | Square Width Across Flats, V | Square Width Across Corners, E | ||||||
|---|---|---|---|---|---|---|---|---|---|---|---|---|---|---|---|---|
| Max | Min | Max | Min | Max | Min | Max | Min | Max | Min | Max | Min | |||||
| M5 x 0.8 | 5.48 | 4.52 | 8.8 | 3.1 | 2.5 | 1.8 | 1.0 | 11.8 | 9.8 | 3.1 | 2.5 | 1.6 | 5.48 | 4.88 | 7.75 | 6.34 |
| M6 x 1 | 6.48 | 5.52 | 10.7 | 3.6 | 3.0 | 1.9 | 1.1 | 14.2 | 12.2 | 3.6 | 3.0 | 1.9 | 6.48 | 5.88 | 9.16 | 7.64 |
| M8 x 1.25 | 8.58 | 7.42 | 12.5 | 4.8 | 4.0 | 2.2 | 1.2 | 18.0 | 15.8 | 4.8 | 4.0 | 2.5 | 8.58 | 7.85 | 12.13 | 10.20 |
| M10 x 1.5 | 10.58 | 9.42 | 15.5 | 5.8 | 5.0 | 2.5 | 1.5 | 22.3 | 19.6 | 5.8 | 5.0 | 3.2 | 10.58 | 9.85 | 14.96 | 12.80 |
| M12 x 1.75 | 12.70 | 11.30 | 19.0 | 6.8 | 6.0 | 2.8 | 1.8 | 26.6 | 23.8 | 6.8 | 6.0 | 3.8 | 12.70 | 11.82 | 17.96 | 15.37 |
| M14 x 2 | 14.70 | 13.30 | 21.9 | 7.9 | 7.0 | 3.3 | 2.1 | 30.5 | 27.6 | 7.9 | 7.0 | 4.4 | 14.70 | 13.82 | 20.79 | 17.97 |
| M16 x 2 | 16.70 | 15.30 | 25.5 | 8.9 | 8.0 | 3.6 | 2.4 | 35.0 | 31.9 | 8.9 | 8.0 | 5.0 | 16.70 | 15.82 | 23.62 | 20.57 |
| M20 x 2.5 | 20.84 | 19.16 | 31.9 | 10.9 | 10.0 | 4.2 | 3.0 | 43.0 | 39.9 | 10.9 | 10.0 | 6.3 | 20.84 | 19.79 | 29.47 | 25.73 |
| M24 x 3 | 24.84 | 23.16 | 37.9 | 13.1 | 12.0 | 5.1 | 3.6 | 51.0 | 47.6 | 13.1 | 12.0 | 7.6 | 24.84 | 23.79 | 35.13 | 30.93 |