asme-b18-2-3-6m-metric-heavy-hex-bolts

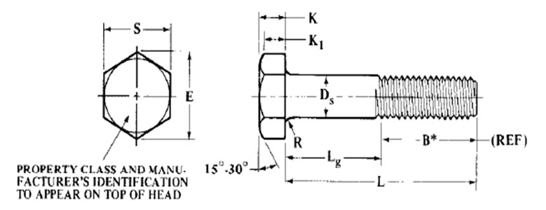
Dimensions of Metric Heavy Hex Bolts

Nominal Bolt Diameter, D, and Thread PitchBody Diameter DsWidth Across Flats, SWidth Across Corners, EHead Height, KWrenching Height, K1
MaxMinMaxMinMaxMinMaxMinMin
M12 x 1.7512.7011.3021.0020.1624.2522.787.957.245.2
M14 x 214.7013.3024.0023.1627.7126.179.258.516.2
M16 x 216.7015.3027.0026.1631.1829.5610.759.687.0
M20 x 2.520.8419.1634.0033.0039.2637.2913.4012.128.8
M24 x 324.8423.1641.0040.0047.3445.2015.9014.5610.5
M20 x 3.530.8429.1650.0049.0057.7455.3719.7517.9213.1
M36 x 437.0035.0060.0058.8069.2866.4423.5521.7215.8
  • All dimensions are in millimeters.
  • Basic thread lengths, B, are same as given in table 12 of ASME B18.2.3.6M.
  • For additional manufacturing and acceptance specification, reference should be made to ASME B18.2.3.6M-1979, R1989 standard.